光伏并网发电系统是一种新能源发电系统,其工作原理是先利用光伏半导体材料的光伏效应将太阳能转化为直流电,然后通过交直流转换将直流电变成交流电,最后通过电网将生成的交流电输送到用户端。逆变器是一种用于将直流电转换成交流电的电力调整装置,其核心部分是逆变桥式回路。通过控制逆变桥中的晶体管开关元件周期性地打开、关闭,将输入的直流信号转换成交流信号。分布式光伏的接入有助于提升清洁能源的利用水平,在一定程度上缓解能源危机。然而,分布式光伏的规模化接入,给电网的规划、运行、控制等各个环节都带来了新的挑战。该系统丰富了光伏发电技术方面的虚拟仿真实验教学资源。
分布式光伏接入配电网后会对配电网安全运行产生一定影响,目前对如何实现分布式光伏安全并网的研究较少,尤其是在分布式光伏并网评估方面,现有的评估通常仅涉及分布式光伏并网的某一方面或几个方面,不能全面、客观地评价分布式电源对配电网影响问题。同时,分布式电源对配电网影响评估研究存在评估指标体系不够全面,各评价指标权重选择依赖于一定的经验,即存在一定的主观性的问题,分布式电源接入配电网后的交互影响与安全评估技术,有待进一步深入研究。
半实物仿真光伏逆变器控制器检测平台源自兴业太阳能股份有限公司的合作开发项目,用于开展光伏逆变器并网性能检测领域的硬件在环检测研究。系统由监控系统、实时仿真系统、被测控制系统三部分组成,如下图所示。

光伏逆变器控制器检测半实物仿真系统
该仿真实验项目的目标是:针对功率器件开关频率≤10kHz的新能源领域电力电子拓扑结构,具有专用的带插值补偿功能的电力电子功率器件和PWM脉冲驱动模型库,且基于上述功率器件和驱动模型库,能实现CPU仿真步长至少为20us的数字实时仿真及硬件在环实时仿真。
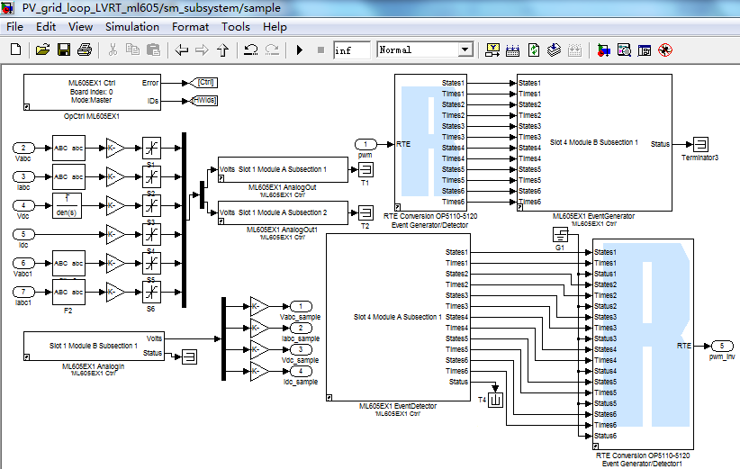
测试方法:搭建光伏逆变器并网的测试模型,PV_grid_loop_LVRT_ ml605.mdl,交直流侧电压、电流经模拟量输出板卡OP5330输出,经loop-back将输出的模拟量回环至模拟量输入板卡OP5340,通过仿真模型中的控制回路进行控制得到PWM波,PWM波经数字量输出板卡OP5354输出,再经自回环电路后通过数字量输入板卡OP5353输入至仿真模型主电路,驱动光伏逆变器工作。


模型的顶层图SM_subsystem的构成


sample模块的内容图2.24.5示波器实时波形显示